Ключ к знанию

Опора для подшипника своими руками


Как быстро сделать корпус для подшипника

При работе над самодельным устройством в наличии может оказаться подшипник по диаметру меньше уже существующего гнезда или опоры. Выйти из такого положения поможет переходный корпус, который скомпенсирует несовпадение фактических размеров взаимодействующих элементов.
Для реализации предстоящей задумки нужно иметь некоторый опыт работы с металлом, совершенно простые, доступные и недорогие материалы, а также вполне стандартное оборудование и инструменты. Конечно, нельзя забывать и об индивидуальных средствах защиты: очках, перчатках и т. д.

Понадобится


Следует не забывать о том, что даже стандартный подшипник – прецизионное изделие. Поэтому так важны точность измерения и аккуратность разметочных операций, чтобы подшипник не оказался слишком зажат или имел бы зазор при монтаже в корпус. В первом случае он быстро выйдет из строя, во втором – не будет держаться на месте.
Для успешной работы мы должны иметь в наличии:
  • отрезок трубы необходимого диаметра и толщины стенки;
  • угольник и штангенциркуль;
  • маркер;
  • маятниковую пилу;
  • сверлильный станок;
  • болгарку;
  • сварочное оборудование;
  • цилиндрическую стальную оправку;
  • тиски, наковальню и молоток.

Порядок изготовления корпуса подшипника из круглой трубы


Тщательно размечаем соответствующую под данный подшипник по диаметру и толщине стенки трубу на два кольца, равные по ширине имеющемуся подшипнику.

На маятниковой пиле по разметке нарезаем кольца.

На одном из них проводим две параллельные линии перпендикулярно торцам, на расстоянии, полученном из предварительного расчета.
На другом кольце наносим четыре точки по центру кольца равномерно по окружности.
Вырезаем участок кольца между двумя линиями разметки и зачищаем места реза болгаркой.

На сверлильном станке выполняем по меткам четыре сквозных отверстия на втором кольце.


Немного сжимаем кольцо с вырезом, слегка ударяя молотком по его концам. Запрессовываем с помощью молотка разрезное кольцо в целое с четырьмя отверстиями на боковой стороне.

Насаживаем на цилиндрическую оправку с входного конца наши запрессованные друг в друга кольца, ударяя по ним молотком по кругу, пока они не окажутся на формирующем участке оправки и разрезное кольцо равномерно без зазоров не примкнет к внутренней поверхности наружного кольца.

Используя ранее просверленные отверстия во внешнем кольце, привариваем его к внутреннему.

Легкими ударами молотка по торцу подшипника устанавливаем его в наш самодельный корпус.

Теперь остается лишь подшипник в корпусе закрепить в гнезде или опоре.

Теперь корпус можно приварить куда угодно и покрасить.

Смотрите видео


sdelaysam-svoimirukami.ru

Самодельный корпус подшипника без токарки + чертежи

Здравствуйте, уважаемые читатели и самоделкины!
Для изготовления множества различных станков зачастую требуется надежно зафиксировать подшипники.
В данной статье, автор YouTube канала «Все своими руками» расскажет Вам, как можно сделать корпус для подшипника из доступных материалов.

Конечно, предлагаемый способ потребует сварочных работ, но позволит обойтись без применения токарного станка.

Материалы.
— Стальная труба 2 дюйма диаметром, полоса 25Х4 мм
— Гайки М6, М8
— Шайбы М6Х1
— Болты М6Х30
— Наждачная бумага.


Инструменты, использованные автором.
— Шуруповерт, сверла по металлу
— Болгарка
— Отрезной и лепестковый зачистной диски
— Сварочный полуавтомат
— Тиски, напильник, киянка, молоток, керн, линейка, угольник, маркер.

Процесс изготовления.
Итак, общий вид конструкции корпуса подшипников будет выглядеть так.

Автор будет изготавливать сразу два корпуса, каждый из которых предназначен для двух 204-х подшипников.
Для основной части корпуса потребуется нарезать две заготовки длиной 30 мм из стальной трубы со внутренним диаметром 50 мм.


Полученные заготовки мастер разрезает вдоль заводского сварного шва. Его прекрасно видно со внутренней стороны трубы.

Корпус будет состоять из наружной и внутренней частей. Из заготовки, предназначенной для внутренней части, нужно вырезать секцию шириной 30 мм. Причем ее нужно отрезать вместе со сварным швом.


На следующем этапе оба подшипника вставляются в полученную деталь, и она обжимается в тисках под разными углами до тех пор, пока подшипники плотно усядутся в ней.

Затем на подготовленную деталь надевается вторая, наружная. Края наружной части нужно срезать вровень со внутренней. Так получатся более толстые стенки корпуса.

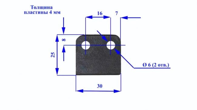
Для изготовления проушин подойдет 25-я стальная полоса толщиной 4 мм. На ней размечаются детали шириной 30 мм.
На полосе кернятся и высверливаются отверстия диаметром 6 мм.

Затем полоса разрезается на детали, их края и два угла закругляются на точильном или ленточном шлифовальном станке.


Далее мастер собирает конструкцию корпуса следующим образом. При этом гайка М8 и пара шайб играют роль подкладок на этапе сварочных работ.

В корпус вставляются подшипники, конструкция фиксируется в тисках, и мастер прихватывает сваркой проушины.

Для полного проваривания швов подшипники извлекаются из корпуса. Также сваркой привариваются наружные гайки к проушинам.


Все поверхности корпусов, а особенно сварочные швы, зачищаются лепестковым шлифовальным диском.
Отверстия для стягивающих болтов нужно развальцевать сверлом 6,5 мм, придав им овальную форму. Это нужно для того, чтобы болты не застревали в них при стягивании.

Оба корпуса готовы, в них запрессовываются подшипники киянкой.


Эти корпуса мастер изготавливал специально для гибочного станка. В них будут установлены подшипники прижимного вала.
Точно таким же способом можно сделать корпуса и для подшипников любого размера, нужно будет лишь подобрать трубу подходящего диаметра.

Благодарю автора за простой способ изготовления корпусов для подшипников!

Всем хорошего настроения, крепкого здоровья, и интересных идей!

Авторское видео можно найти здесь.


Источник Становитесь автором сайта, публикуйте собственные статьи, описания самоделок с оплатой за текст. Подробнее здесь.

usamodelkina.ru

Такое решение самодельного линейного подшипника-втулки или наши руки не для скуки.Часть 1.

Здравствуйте Господа 3dшники!

Прошу не судить меня строго за мой первый пост, так как последние мои рукописи - это письма домой из армии,так что писатель из меня никакой.

Что сподвигло на написание? Да просто хотел озвучить свои мысли вслух, посоветоваться и посовещаться.

Может подобное решение и обсуждалось, если честно я не нашел, будьте добры , ткните пальцем.

Как и многих здесь присутствующих, путь 3d_printа для меня начался с Rep-Strap.

Сколхозил худо-бедный принтер и ваяю.. для себя, для друзей, некоторые вещи даже покупали.

Ну да ладно.... не об этом.

Во общем проблема как и у многих с линейными подшипниками и направляющими.

Направляющих..... ПОЛНО. Работаю ИТ-специалистом, так что струйников через меня прошло 'немало'.

Жаль только, что диаметр у всех разный и нестандартный: 9.5мм, 10.5мм и тд ... 8мм-осей попалось штук 6-8.

Купил направляющие из нержавейки диаметрами 8мм, 10мм, 12мм. и соответственные ЛП.

Вроде как то все работает, только то люфты, то борозды на осях образуются....

Раньше каретки катались на капролоновых втулках, которые иногда подклинивали...

Соглашусь, что кое-где виной было моё рукожопство, и вообще первый блин комом).

Сейчас проектирую H-Bot и голова греется ... какие взять направляющие.... чтобы не борозд, не люфтов, не клинов.

А также чтобы сейчас, и безвозмездно, (те ДАДОМ)(с)Сова), и чтоб печаталось быстро, качественно, красиво!)

Оси и ЛП.... - нахлебался...

Оси и капролоновые втулки... - знакомый токарь уехал из города

Рельсы... - по отзывам, смотря на какого продавана напорешься.

Каретки на подшипниках качения...-получилось громоздко, гремит, грохочет , опять же мое рукожопство.

Пробовал печатать втулки из тримерной лески - межслойное сцепление слабое, и вообще так и не научился печатать леской.

Видел, продается для печати хороший нейлон, но думаю пока рано на таком принтере браться за 'Виллиама , нашего Шекспира' (с).

О втулках из ABS мнения тоже расходятся.

......................................................

Вчера уснуть не мог, нашел на Yuotube видео где один парень показывал .... короче вот видео:

Повторюсь: может подобное решение и обсуждалось, если честно я не нашел, будьте добры , ткните пальцем.

Но оно мне понравилось и я решил с ним поэкспериментировать.

В видео парень использовал тефлоновые трубки.

Моя мысль была проще - совместить ABS и Neylon в 'линейном подшипнике-втулке'.

Из ABS напечатать обойму, а шариками-роликами там будут кусочки триммерной лески.

На пальцах не объясню, покажу во FreeCade.

Мысль первая:

И тут Остапа понесло. А если во так:

Мысль вторая:

или вот так: Вообщем фантазировать можно много.

Сегодня пятница, а принтер на работе. Вот что сегодня успел воплотить:

Первым порадовало, что не нужно печатать нейлоном, а рабочим материалом является именно он , что есть второй Плюс.

Регулировать 'легкость хода можно количеством нейлоновых вставок'.

Минусом является появление люфта, но тут видимо уже нужно искать золотую середину.

Нейлоновые вставки с большой неохотой встают в пазы...

Вот собственно пока то, что успел. После выходных напечатаю остальные втулки и крепление под них. Они пойдут на дрыг-дрыг стол.

И собственно будет ясно , стоило ли овчинка выделки.

Спасибо за внимание, с радостью приму конструктивную критику, советы и прочие пожелания.

3dtoday.ru

Сообщества › Сделай Сам › Блог › Универсальный круглогиб из подшипников своими руками.

Полный размер


Давно хотели реализовать приспособление для прокатки металлического профиля, арматуры, полосы и прута в круг. И вот делая внеплановую уборку гаража отрыли подшипники, уголок 40 мм и полумуфты.
Конструкцию решили делать простую, приспособленную под обычные тиски.
Первым делом сделали раздвижную станину из уголка на металлических втулках-направляющих. К ней приварили задний ступичный подшипник от Лады-Калины. Это будет основой для ручки прокатного станка.
Что бы механизм справлялся с широкими пластиками его удлинили в два раза, расхомутав немного трубы от старого домкрата.
Далее запресовав полумуфты в подшипники, наметили места сварки. Приварили и установили подшипники на свои места. Вот и весь станок!
Ручку в итоге все-таки удлинили. Протестив круглогиб на стальном пруте, убедились что вся эта штуковина надежна и реально работает.
Много полезного можно теперь намудрить…
НО! Есть что добавить… Покрасить можно всегда в любой цвет…)))! Но, если серьезно, думаю сделать паз болгаркой по радиусу ступичного подшипника, где-то по середине. Напротив наших сдвоенных. Это для лучшей фиксации прута, арматуры и профильного прута. Как раз прут будет ложиться в насечки с двух сторон и лучше фиксироваться при прокатке.
Так же сделаю ребра жесткости на уголке, дабы все было по-мощнее. Все размеры на фото. ВСЕМ СПАСИБО! Все как делали подробно в видео может у кого возникнут мысли по доп улучшению данного изделия.

Полный размер

Полный размер

Полный размер

Полный размер

Полный размер

Полный размер

Полный размер

Полный размер

Полный размер

Полный размер

Полный размер

18 ноября 2019 в 16:32 Метки: кольцегиб, круглогиб, станок своими руками, станок из подшипника, холодная ковка

www.drive2.ru

Гибочный станок из подшипника своими руками

При армировании фундаментов или кладки стен требуется заложить арматуру, которую перед этим нужно согнуть. Сделать это быстро и ровно получится только на гибочном станке. Это простое и компактное устройство, которое можно сделать своими руками. Также оно будет полезно для сгибания не толстых прутков для различных поделок.

Материалы:


  • большой подшипник можно заклинивший;
  • длинный болт М12 или толще;
  • 3 гайки М12;
  • удлиненная гайка М12;
  • стальная полоса как минимум 60х10 мм или пластина.

Изготовление гибочного станка


В качестве толкателя и гибочной опоры станка будут использоваться кольца крупного подшипника с наружным диаметром от 100 мм. Его внешняя обойма разрезается пополам.

Одна из ее половин приваривается на стальную полосу, как на фото.

Часть внутреннего кольца вырезается по ширине гайки, которая затем в него уваривается.

Перед этим нужно убрать ее резьбу, прогнав через нее сверло. Нужно, чтобы болт проходил сквозь нее не накручиваясь.


Далее нужно обточить грани еще у 2-х гаек, придав им округлую форму.

На болт накручивается длинная гайка, затем короткая со снятыми гранями. Его конец продевается через расширенную гайку, вваренную во внутреннее кольцо подшипника. Затем на него наворачивается оставшаяся узкая обточенная гайка.

Чтобы гайки без граней не откручивались, их нужно обварить. Перед этим они поджимаются, чтобы кольцо не шаталось относительно болта.


На обратной стороне стальной полосы с полукольцом нужно приварить небольшой флажок. За него в дальнейшем будет удобно зажимать станок в тисках.

Затем полоса переворачивается и к ее противоположному от полукольца краю приваривается механизм с болтом. Сварка делается только на длинной гайке. Таким образом, при вращении болта толкающее кольцо будет двигаться в сторону упорного полукольца.

Как пользоваться


Станок зажимается в тисках за сделанный внизу флажок. Между кольцами закладывается арматура. Для движения толкателя на упор, необходимо вращать винт гаечным ключом. Арматура при этом не выскакивает, поскольку удерживается за счет проточки на кольце подшипника. По мере вкручивания болта прут сгибается на необходимый угол.


Несмотря на небольшие размеры станка, его способностей достаточно для легкого сгибания тонких прутков и арматуры диаметром до 6 мм. Более толстый прокат, при качественной сварке станка, также ему не повредит. Для удобства можно приварить к шляпке болта вороток, чтобы не пользоваться гаечным ключом.


Смотрите видео


sdelaysam-svoimirukami.ru

Монтаж подшипников: как правильно установить и закрепить деталк, схемы установки

Чтобы полностью использовать возможности деталей крепления стоит обратить внимание не только на их тщательный подбор. Для эффективной и длительной эксплуатации, перед началом работ надлежит ознакомиться с особенностями установки и крепления подшипников на валу и в корпусе. А также уделите время, чтобы изучить правила хранения, монтажа и демонтажа, смазки и прочего ухода за элементами. По словам специалистов, именно неправильная установка и незнание тонкостей или пренебрежение  обслуживанием подшипникового узла вызывают около 30% поломок устройства.

Мы предлагаем ознакомиться с информацией, которая облегчит вам проведение технических процедур, просто и понятно, с помощью схем осветит те или иные аспекты инсталляции данных деталей.

Как следует подготовить подшипники к монтажу

Установка элементов производится в сухих помещениях без избыточной влажности, загрязнения и пыли. Нежелательно выполнять крепление рядом с металлорежущими станками, работа которых связана с появлением стружки и брызг охлаждающей эмульсии.

При необходимости сборки узла в незащищенном месте цехового пространства, следует принять меры, чтобы не допустить попадания посторонних включений и жидкости на шарикоподшипники и посадочные места. Эффективно использование фольгированной или технической бумаги, пропитанной маслом или парафином.

Главные правила, которых надо придерживаться перед тем, как надеть и закрепить подшипник на валу или в трубе:

  • Перед производством работ следует заранее произвести подготовку всех требуемых комплектующих, инструментария, вспомогательных приспособлений, расходных материалов и технической документации;
  • Выполнить тщательную проверку отсутствия загрязнения и дефектов корпусных деталей, валов, сальников и прочих компонентов. Особое внимание уделить резьбовым каналам, отверстиям и углублениям, которые могут стать сосредоточением старой смазки, или металлической стружки, оставшейся после проточки;
  • Досконально изучить чертежи для определения очередности действий по подготовке посадочных мест, перед тем как выполнить запрессовку или посадку подшипника на вал;
  • В литых корпусных элементах, не подвергавшихся предварительной механической обработке удалить остатки формовочного состава, зазубрины и прочие изъяны;
  • Тщательно проверить соответствие заданным параметрам в документации всех деталей сборного узла. Требуемая функциональность возможна лишь при соблюдении всех установленных техническими стандартами допусков. Воспользоваться кольцевыми калибрами, специальным мерительным инструментом и синусными линейками с занесением всех данных в журнал.

Контроль параметров должен производиться при положительной температуре. Если крупногабаритные элементы находились в неотапливаемом складе, выдержать несколько часов в теплом помещении до начала всех работ.

Инструменты, которые вам понадобятся

Для упрощения процесса монтажа был разработан целый ряд механических инструментов. В частности, компания NSK предлагает следующие изделия:

  • Монтажный комплект FTN333 – это отличный вариант для установки подшипников малого и среднего диаметра (от 10 до 55 мм) методом холодной посадки. Так вы корректно и беспроблемно справитесь с этой операцией.
  • Гаечные ключи – представлены в стандартном и усиленном исполнении. Незаменимы при установке контргаек. Это простое и недорогое средство для монтажа подшипников с конической посадкой.

Для удобства работы с подшипниками большого диаметра, компания предлагает гидравлическое оборудование:

  • Съемники, толкатели и съемные пластины – обеспечивают большие нагрузки для соблюдения рекомендуемой силы контакта между кольцом детали и поверхностью. Упрощают процесс монтажа и исключают возможность появления ошибок при установке.
  • Гайки – благодаря методу смещения повышают точность и скорость инсталляции компонентов подшипникового узла с конической посадкой. Имеют антикоррозийную пленку, а значит имеют длительный срок эксплуатации.
  • Насосы – предполагают совместное использование с гайками, нагнетают масло и значительно упрощают операцию.

Кроме того, для каждого типоразмера подшипника разработаны индукционные нагреватели. Компания NSK предлагает линейку устройств разных размеров и мощности.Они обеспечивают оптимальную и безопасную температуру деталей, чтобы процесс установки методом горячей посадки проходил беспроблемно.

Правила установки роликовых подшипников

При монтаже основное усилие должно быть направлено исключительно через внутреннюю обойму при насадке на вал и наружную при запрессовке в корпус. Недопустимо производство работ, при котором возникает ударное или другое динамическое воздействие.

При креплении и на вал, и в корпусную конструкцию –  направлять одновременное усилие на оба кольца одновременно, не допуская перекоса.

Устанавливая детали при помощи подручных инструментов, когда нет возможности воспользоваться штатными приспособлениями, нельзя допускать ударные усилия к поверхности сепаратора, надо применить прокладку, гасящую воздействие. Можно воспользоваться втулкой из незакаленного стального или медного сплава.

При способе установки шарикоподшипников на вал с натягом, элемент желательно предварительно разогреть с помощью индукционного устройства, а затем насадить с небольшим усилием. Сторона п/ш, имеющая заводскую маркировку должна быть снаружи.

При работе с крупногабаритными элементами целесообразно воспользоваться специализированными приспособлениями, например, гидравлическими распорами, гарантирующими отсутствие повреждения поверхностей и повышенную производительность работ. Эта методика рекомендуется при установке п/ш, имеющих внутренний диаметр более 150 мм.

Как производить монтаж подшипников качения

К этому типу элементов относится достаточно много разновидностей деталей, установка которых различается последовательностью действий и методологией. Приведем некоторые из них:

  1. Радиальные роликовые ш/п, имеющие одно съемное кольцо без бортиков и внутреннюю обойму с роликами, устанавливается раздельно. Если на валу оба элемента подобного типа, установить дополнительную опорную деталь, которая для прочной фиксации и недопущения люфта по оси. Однобуртовые  монтируются враспор для того, чтобы закрепить вал.
  2. Перед тем как приступить к установке игольчатого подшипника, вал предварительно покрыть пластичной смазкой. Если нет внутреннего кольца, во внешнюю обойму набить смазочный материал, установить игольчатые компоненты, ввести монтажную втулку, соблюдая посадочный зазор, который может составлять от 0,1 до 0,2 мм, а затем аккуратно вставить в посадочное место, проверив фиксацию. При монтаже рабочими поверхностями выступает наружная часть вала и внутренняя втулки. Боковыми ограничителями служат различные детали с конфигурацией колец на сопряженных компонентах. У этого типа п/ш нет сепараторов, прилегание компонентов препятствуют перекосу при эксплуатации.
  3. При установке подшипника стиральной машины следует придерживаться рекомендаций производителя и поэтапной схемы разборки бытовой техники. Традиционно во всех стиралках с фронтальной загрузкой установлено два п/ш в корпусе бака, для замены которых потребуется демонтировать верхние и боковые панели, двигатель и систему патрубков.

В процессе монтажа необходимо придерживаться нормативных параметров и контроля радиального зазора, который схож с требованиями при установке п/ш скольжения и значительно больше, чем у шариковых и роликовых:

  1. Детали, которые насаживаются на вал с предварительно вставленной крепежной втулкой, закрепить специальной гайкой. Чтобы не допустить защемления компонентов качения, которое может возникнуть при деформировании внутренней обоймы, проверить степень затяжки, вращая рукой наружное кольцо;
  2. При монтаже упорных одинарных подшипников, сначала насаживается на вал внутренняя обойма, а большая запрессовывается в корпусную деталь. Следует большое внимание обратить на зазор между наружным кольцом и стенкой посадочного места в корпусе;
  3. Монтируя радиально-упорные варианты, имеющие съемную наружную обойму, сначала устанавливайте на вал внутреннее кольцо, а затем в корпусную деталь наружное. Перед производством работ проверьте посадочные места и наличие смазки;
  4. Для равномерного восприятия п/ш осевых нагрузок, они ставятся попарно.

Особенности монтажа подшипников скольжения

Элементы подобного типа востребованы во многих производственных отраслях, особенно в случаях, когда нет возможности использования ш/п качения. Основное распространение изделия получили при сборке агрегатов, имеющих валы:

  • функционирующие под воздействием больших ударных и вибрационных нагрузок, в прокатных станах, гидромолотах, двигателях внутреннего сгорания и пр;
  • значительных диаметров, в гидравлических турбинах;
  • установленные в высокоскоростных механизмах, работающих в агрессивной среде, условиях повышенной влажности и пр.

А также в шпинделях металлорежущих станков, опорных конструкциях телескопических установок, бытовой технике. Основными частями ш/п скольжения является вкладыш и корпус, который может быть разъемным и цельным.

Монтаж подшипников скольжения состоит из нескольких этапов:

  • стыковка втулки и корпусной детали с натягом, посредством посадки запрессовкой, с разогревом или холодной;
  • чтобы предотвратить проворачивание, внутренняя часть крепится винтом или насаживается на бронзовую шпонку;
  • вал предварительно окрашивается, вводится во втулку и несколько раз проворачивается возвратно-поступательными движениями. Так происходит подгонка для упрочнения фиксации.

Это основные правила для крепления элементов такого типа. Придерживаясь их, вы исключите возникновение проблем с эксплуатацией и продлите срок их использования.

Схемы установки радиально-упорных подшипников

О-образная

Подобный вариант монтажа еще именуется спина к спине, что подразумевает: линии распределения нагрузки направлены к оси п/ш. Используя подобную методику, воспринимается одинаковое воздействие в обе стороны, на каждый приходится действующее едино-направленное усилие.

Положительными аспектами является возможность восприятия подшипниковым узлом импульсных краткосрочных нагрузок и гарантия повышенной жесткости соединения.

Х-образная

В деталях, смонтированных по подобной схеме, которую еще называют лицом к лицу, вектор распределения нагрузки направлен к оси п/ш, воспринимая воздействие в обе стороны.

При таком способе установки сборный узел хуже воспринимает моментные воздействия.

Тандем

При невозможности выдерживать существующие осевые и радиальные силовые и динамические нагрузки одним п/ш, для обеспечения необходимой работоспособности агрегата применяется метод установки тандем, при котором детали монтируются однонаправлено. Радиальные и осевые силовые нагрузки распределяются одинаково между п/ш.

Сборный узел выдерживает нагрузку только в заданном направлении, поэтому при угрозе действующего усилия с другой стороны, рекомендуется дополнительная установка еще одного п/ш, чтобы компенсировать нагрузки.

Особенности установки выжимного подшипника

Этот п/ш является одним из основных компонентов узла сцепления транспортных средств, установленного между двигателем и КПП. Его задачей является размыкание потока при нажатии педали. Специальный привод смещает п/ш по направляющей на валу к корзине, надавливая на диафрагму. В разных т/с используются механические и гидравлические детали. Для установки следует придерживаться определенного алгоритма:

  • демонтировать коробку переключения передач, чтобы получить доступ к прочим узлам;
  • отвести оконечности фиксатора, где муфта стыкуется со стаканом;
  • извлечь п/ш из втулки одновременно с муфтой и пружинным держателем, отжав 4 крепежа;
  • осмотреть старый компонент на предмет наличия дефектов, проверить посадочное место и сопредельные узлы;
  • перед монтированием нового п/ш проверить наличие люфта и возможность свободного вращения;
  • смонтировать деталь на направляющую втулку и зафиксировать пружинным приспособлением вместе с муфтой, предварительно нанеся обильную смазку;
  • проверив должную посадку, поставить на место КПП.

Подобный способ описывает замену п/ш на легковом автомобиле ВАЗ, при установке выжимного подшипника на МАЗ и других грузовых транспортных средств, следует руководствоваться детальной инструкцией и рекомендациями производителя техники. Желательно использовать специализированные приспособления и ремонтные работы производить в сервисном центре, особенно это актуально для машин на гарантии.

Установка ступичного подшипника

При невозможности посещения автосервиса и выполнении работ по замене ш/п передней ступицы легкового автомобиля самостоятельно, следует предварительно подготовить все необходимые инструменты, смазку и ремкомплект. Машина фиксируется надежными упорами, предотвращающими скатывание, включается первая скорость. Затем все мероприятия выполняются в заданной последовательности:

  • снять колпак с колеса, ослабить гайку с помощью торцевого ключа или шестигранной головки;
  • приподнять автомобиль домкратом, проверить устойчивость;
  • выкрутить болты, убрать колесо, узел тормозных колодок аккуратно вывесить, чтобы предотвратить порчу шланга;
  • снять диск, вкрутить в монтажные отверстия подготовленные шпильки или болты до выхода с обратной стороны до 2 мм;
  • ударив молотком по оконечности шпилек выпрессовать ступицу;
  • снять п/ш, проверить посадочное место на предмет изъянов, нанести новую смазку и установить приготовленный п/ш;
  • выполнить сборку в обратной последовательности.

В зависимости от модификации т/с и года выпуска, методика может быть иной. Не рекомендуется производить ремонт самостоятельно с а/м, имеющими действующую гарантию.

Как правильно поставить подвесной подшипник на Газели

Деталь необходима для обеспечения подвижной фиксации к опоре карданного вала. Учитывая состояние дорог и постоянную загрузку транспортных средств, на п/ш приходится довольно большое динамическое воздействие, из-за чего деталь быстрее выходит из строя раньше, чем сказано в инструкции по эксплуатации.

Износу способствует недостаточное количество или неправильно подобранная смазка, которая загустевает при низких температурах и способствует повышенному трению. Расположение над системой выхлопа приводит к перегреву и высыханию.

При возникновении характерных звуков, свидетельствующих о выходе п/ш из строя, необходима срочная замена для предотвращения поломки других узлов.

При демонтаже кардана следует внимательно осмотреть шлицы и резьбовое соединение, убрать возможную коррозию и загрязнение. Снятие и установку шарикоподшипника желательно производить с применением специального съемника для предотвращения поломки. При отсутствии необходимого приспособления, пассатижами снять стопорные кольца, затем удерживая кардан на весу, резким ударом молотка через демпфирующую прокладку выбить чашки.

После извлечения старых п/ш, обязательно проверить посадочное место, параметры и целостность сопряженных деталей. Установка нового производится в обратном порядке, не забыть нанести обильную смазку с маркировкой, рекомендованной производителем.

Компания Подшипник.моби предлагает ознакомиться с обширным каталогом и купить шарикоподшипники всех модификаций и размеров от производителя по разумной цене. Все представленные товарные позиции имеют сертификаты качества и гарантию. Обеспечиваем быструю обработку поступающих заявок, согласование комплектации, отгрузку и доставку.

podshipnik.mobi

Audi 80 1,8 S (PM) › Бортжурнал › Борьба с вечным постукиванием передней подвески 3 (лекарство от "барабашки").Опорное кольцо подшипника

Хочу поделиться своим опытом по борьбе со стуками в передней подвеске. Примерно три года назад я уже писал ТУТ и ТУТ о своей борьбе. Я выиграл эту борьбу. Помогли мне тогда резиновые кольца. Позже я изготовил новые, немного толще чем было изначально. Вот, собственно, про это и хочу поведать.
Как и писал: я перебрал полностью всю подвеску, заменив все. Небольшой стук все ровно не уходил, пока не подложил резиновые кольца под опорные кольца подшипников (в народе "опорник"). Возможно кому то Америку не открою, а кому то моя запись будет интересна.
Как устроена передняя подвеска в Audi 80 знают все "бочководы". А если не знают, то могут посмотреть на картинке.

картинка


На этой картинки хочу выделить позицию 27, опорное кольцо подшипника (или опора амортизатора — как кому удобно).

опорное кольцо подшипника


Вот в этой позиции 27 (опорном кольце и жил мой "барабаш").
Что бы много букв не писать — просто покажу все на картинках. Глядя на них все сразу станет ясно и понятно. Не помню у кого и где я их "подбрил" — скажу лишь спасибо тем ребятам за то, что выложили их в интернет.
Картинка N1

N1


На картинки N1 показан описываемый объект в разрезе зажатый в тесках. Тиски, думаю, понятно для чего — для создания примерно той же нагрузке как и на автомобиле. Источник стука обнаружен.
Картинка N2

N2


На картинке N2 показано, что можно с этим сделать. Т.е. подложить, что-нибудь упругое, круглое — например резиновое кольцо. Что, собственно, мною было и сделано.
Картинка N3 и N4

Полный размер

N3


Полный размер

N4


На картинке N3 и N4 — кольца подкладки изготовленные мною.
Кольца вырублены на штампе из заготовок (блинов) вулканизированной резины. Толщина колец 7 мм. Внутренний диаметр 50 мм. А вот с наружным немного переборщил: 80 мм оказалось многовато. Пришлось ножницами малость подрезать, примерно, до 75 мм.
Вот такой небольшой "апгрейд" и о стуках я забыл на долгие года.
Картинка N5 и N6

Полный размер

N5


Полный размер

N6


На этих картинках те же кольца только после 15 000 км. Видно, что их малость спрессовало, толщина уменьшилась до 5 мм. Однако с ними стуков не наблюдалось и все работает хорошо.
Все просто и вроде бы надежно. Посмотрим, что будет дальше.
Для справки — опорное кольцо подшипника у меня еще original. Заменен лишь сам подшипник на "Ina" (номерок не знаю).
Хочу попробовать еще "поиграть" с толщиной колец — увеличить толщину до 10 мм. и посмотреть как они просядут.
На этом все. Спасибо за внимание.
P.S.
Данный способ нейтрализации стука возможен при условии исправности всех остальных узлов и деталей подвески Вашего автомобиля.

www.drive2.ru

Трубогиб Ч.1 — DRIVE2

И так, опять решил заняться самодельным инструментом… На этот раз понадобился трубогиб. Цены на них не малые, да и если честно был интерес сделать самому)
Начал искать в нете картинки… стало ясно что роликовый трубогиб наиболее универсальный. Так как не я первый решил подобным заняться, в нете уже нашел фотки самоделок.


и не только самоделок)

конструкция такого типа понравилась больше всего, по этому решил от нее отталкиваться. В 3дМаксе нарисовал проект с реальными размерами.

хотел, чтоб на одних и тех же валах можно было гнуть круглую и квадратную трубу. Но валы получались по 60 см каждый, с диаметром 8 см… Такого металла не было, а стоят такие заготовки кучу денег, по этому решил упростить конструкцию

На рисунке только валы, дальше рисовать не стал( Решил сделать сменные валы, одни для квадратных труб, другие для круглых (позже, как-нибудь… Просто пока в них нет потребности)
На этом и остановился) Нашел 2 звездочки с распредвала от Москвича, цепь оттуда же

купил 6 подшипников, и выточил у токаря валы) Эти уже намного меньше, чем планировалось в первый раз

Решил начать с каретки прижимного вала. Честно говоря, толком не знал, как будет выглядеть конечный результат, так что все придумывалось на ходу. Для начала из полосы 30Х4 выгнул полумесяцы, в которые будут садится подшипники.

затем из металла 12мм сделал П-образную каретку, к которой по сторонам приварил направляющие (квадрат 10Х10мм), внутри полумесяцы и косынки для жесткости.

в эти полумесяцы будет ставится вал. Решил делать полумесяцы, чтоб можно было легко снимать валы, без выпрессовки

Каретка готова, теперь нужно придумать корпус… Долго кумекал, появилось новое условие — мобильность, а отсюда настольность, небольшие габариты и небольшой вес.
Ну, + к этому бюджетность. По этому решил делать из того что уже было дома. А был дома лист железа толщиной 4 мм. Из него и решил делать корпус. Все вымерял, отрезал, разметил.

потом начал приваривать полумесяцы

подшипник на своем месте))

теперь нужно было придумать направляющие дня подвижной каретки с прижимным валом. Решил делать все с той же полосы 30Х4

так же как первую, сделал вторую половинку корпуса, только в ней электросваркой (пора бы уже на фрезы раскошелиться) прожег 2 отверстия для валов.

Здесь каретка должна "ездить"

Затем привал к одной половинке дно и бока, и "навскидку" собрал корпус.

Получилось интересно. Но еще нужно как-то закрепить валы в полумесяцах, особенно прижимной, так как он просто выпадал. Не стал ничего выдумывать, просто стянул хомутами нужного диаметра. Зато снимать не долго)


Корпус вроде нарисовался. Кроме верхней его части. Чтобы знать как ее сделать, нужно было определится, что должно прижимать каретку, и этим гнуть трубу… Думал домкрат гидравлический вставлять, но тогда лежа не покачаешь, а значит длинные трубы (больше 6 метров) уже не погнуть.
Тогда стало ясно, что нужен винт с инструментальной резьбой. Сначала думал прикулибить от домкрата, но он был всего 12мм в диаметре и не внушал доверия( Тогда у друга "выцыганил", иначе не сказать старый покоцаный винт 30мм в диаметре, правда без отверстия для воротка. Но ничего, резьбу подправил, ржу отчистил, отверстие просверлил, и вот он, как новый))

Проблемой меньше, едим дальше. Стало ясно, что на прямую он не может давить на каретку, так как усилия будут не шуточные, и нужен опорный подшипник. Так тому и быть) Подобрал у дедка на базаре нужный диаметр, пришел домой, примерял

Вроде ничего… теперь нужно все это закрепить как-то…

Продолжение тут www.drive2.ru/users/jmeja…/288230376152084969/#post

www.drive2.ru

Ford Focus Hatchback Пузом трем но пройдем › Бортжурнал › Замена опорных подшипников передней стойки Форд Фокус. Подробный гайд.

Вот в этой записи про опорник, я сунулся в правую стойку, но из-за открывшейся порнографии с тормозами вопрос конкретной замены был отложен.

Чуть позднее, по приходу тормозных дисков, в процессе обслуживания тормозов, параллельно делались и работы с опорниками.

Т.к. эти действия формально не связанные, то несмотря на то что я делал их параллельно, я разношу это в разные записи.

Итак, перейдем к сути дела.
Несмотря на то, что подвеска на Форд Фокус в общем-то неплохая и крепкая (для городской эксплуатации), все же имеется одно место, которое однозначно уязвимо. Это опорные подшипники, одна из ключевых позиций подвески Макферсона.

Подвеска сия имеет только один нижний рычаг, а верхняя фиксация осуществляется за счет крепления стойки.
Снизу же стойка закреплена в т.н. "кулаке". Чтобы стойка весело вращалась относительно кузова при повороте колес, применяется опорный подшипник, расположенный на верху стойки.

И все бы ничего, но данный подшипник, особенно у ФФ, весьма нежный. Любой сильный удар по подвеске (например при прохождении мертвого состава райотдела полиции), может вызвать либо разругение опорника вместе с подшипником, либо повреждение упрощающее поступлении внутрь влаги.

Вообще подшипник не обслуживаемый, и смазка закладывается на весь срок службы. Попадание в него воды — это в общем-то неестественный случай, т.к. сверху опора стойки прикрыта капотом, а чтобы вода попала снизу, нужно форсировать на ФФ лужи, в которых он скорее получит гидроудар. Но, тем не менее, в дождливый день и при разрушении\повреждении корпуса опорного подшипника, внутрь влага попадает и при нехватке смазки может вызывать коррозию.

Опорный подшипник устроен просто. Две пластиковые детали, в одной закреплена внешняя обойма подшипника, в другой внутренняя. Между ними подшипник из шариков с пластиковым сепаратором. Применение пластикового сепаратора в данном случае вполне оправдано, т.к. узел этот не высокоскоростной, да и основные нагрузки должны ложится на корпус опорника.

Лично я, не являясь специалистом по подшипникам, не знаю, какой вариант в данном случае лучше — шарики покрупнее и пореже (такие как например в опорнике идущем в ремкомплекте SKF) или те, что были у меня от рождения (шариков существенно больше, но они поменьше в размерах).

Симптомы нарушения работы опорника — хруст, треск при повороте руля, возросшее сопротивление повороту, сокращение хрустов в случае дождя.

Для замены опорного подшипника нам потребуется снять стойку амортизатора. Работа эта технически не сложная, но в определенном смысле муторная, поэтому на сервисах за замену опорника дерут вплоть до 1800р за один.

Особенность процедуры для ФФ заключается в прикрытии верхних болтов крепления стойки пластиковой бородой, для демонтажа которой необходимо будет демонтировать даже поводки стеклоочистителей.

Исхитрится снять стойку без демонтажа "бороды" можно только в случае правой стороны. Там комбинированный ключ с трещоткой позволяет открутить три болта крепления стойки. С левой же стороны, наличествует еще и металлическая растяжка (поперечный усилитель), которая такой возможности не дает.

Также существует несколько вариантов снять стойку — самый простой — разжать ее в кулаке ( а не снимать вместе с кулаком)

Нам потребуется для работы:
1) Ключ для демонтажа колеса
2) отвертка плоская с тонким жалом (поддевать пластиковые колпачки на креплении поводков стеклоочистителя, снимать клипсы скрепляющие части бороды)
3) головка на 15 (гайка поводков стеклоочистителя, гайка крепления стойки стабилизатора)
4) ключ на 15 (болт крепления стойки)
5) комбинированный ключ-трещотка на 13 (или головка на 13).
6) головка на 10 (для центрального крепления поперечного усилителя)
7) ключ на 18 (для фиксации при откручивании верхнего крепления стойки стабилизатора, откручивания гайки крепления амортизаторав стойке и удлинения ключа на 15 при откручивании болта крепления стойки в кулаке)
8) стяжки пружин
9) трещотка (трещотки) головок для применяемых выше головок.
10) отвертка крестовая (для снятие болтов крепления нижней части бороды)
11) ключ динамометрический диапазоном от 30 и ниже, до 90 и выше
12) домкрат. Один штатный для подьема машины, другой гидравлический от тонны.
13) любой старый говняный гаечный ключ или тонкая металлическая пластина (для зажатия в кулаке при разжиме)

Из смазочных материалов нам потребуется:
1) проникающая смазка
2) смазка медная или графитовая
3) возможно — водостойкая смазка инертная к пластикам

Из подсобных материалов:
Ветошь, самоклеющийся поролон тонкий узкий.

Порядок действий (в ситуации замены опорников с обеих сторон).

1) Снимаем колесо. Проверяем ключом на 15 гайку крепления стойки стабилизатора (верхнюю) и болт кулака. Если стронуть не удается, обрабатываем проникающей смазкой. При помощи плоской отвертки с малым жалом отстегиваем провод АВС, выдавливаем шланг с тормозжной жидкостью из крепления на стойке.

Полный размер

2) Снимаем колпачки крепления поводков щеток стеклоочистителя. Аккуратно прикладываем усилие ключом на 15. Если не откручивается — обрабатываем проникающей смазкой и ждем. После откручивания аккуратно снимаем щетки, запомнив их расположение и порядок (где пассажирская, а где водительская :))) ). Проверяем шлицы — на мелкой гребенке шлицов не должно быть замятий и срывов ни у щеток, ни у посадочных стержней.

Полный размер

3) открываем капот. Плоской отверткой снимаем металлические клипсы скрепляющие части "бороды" по краю. Снимаем верхнюю часть бороды. Моем. При помощи крестовой отвертки откручиваем два болта крепления нижней части бороды по бокам. Аккуратно тянем нижнюю часть бороды на себя и чуть вверх, извлекая из поджатых зажимов.

Полный размер

Моем. При желании аккуратно протираем пространство под бородой. Также можно обслужить трапецию привода стеклоочистителей

4) проверяем ключом на 13 болты верхнего крепления опор. Если они не страгиваются, обрабатываем проникающей смазкой. Проверяем гайку крепления правого амортизатора в стойке (она уже доступна) — накидываем на нее накидной ключ на 18, сверху вставляем шестигранник для фиксации и тянем. Если результата нет — также обрабатываем проникающей смазкой

Полный размер

На снятом демонстрация.

5) переходим вниз. размещаем гидравлический домкрат под нижним рычагом. Поднимаем до тех пор, пока палец верхнего крепления стойки стабилизатора не будет горизонтален. Фиксируем ключом на 18 палец и страгиваем ключом на 15 гайку. Как только гайка стронута — меняем на головку с трещоткой. Открутив гайку, аккуратно выталкиваем палец из крепления на стойке. Пластину с закрепленным в ней проводом АВС отводим в сторону и фиксируем, чтобы случайно не повредить. Отводим стойку стабилизатора в сторону.

Полный размер


Полный размер

6) Пытаемся открутить болт крепления стойки в кулаке. Допустимо удлинение ключа на 15 ключом на 18. Если хорошие ключи (типа форс, омбра, джонсвей) то их предельное усилие на деформацию приблизительно равно усилию на сворачивание болта. Поэтому как только чувствуете что они готовы начать гнутся — процесс прекращаем и еще раз обрабатываем проникающей смазкой болт со стороны головки и со стороны "дырочки" в кулаке. Применение длинных воротков с трубами может повлечь разрушение болта и сведет к 0 весь ваш профит от самостоятельного ремонта. Возможно немного постучать молотком по кулаку с обратной стороны в области прохождения болта (легкие быстрые постукивания, призванные облегчить проникновение проникающей смазкой, а не вывернуть стойку нафиг).
7) После того как болт крепления стойки в кулаке стронулся, меняем на головку с трещоткой. Откручиваем болт. Начинаем закручивать с другой стороны, проложив в разрыв кулака либо старый гаечный ключ либо полоску металла. Идея заключается в том, что упершись в препят

www.drive2.ru

Корпус подшипника и его типы. Корпус для подшипника своими руками

В механизмах, которые используются в повседневной жизни человеком, часто можно встретить такую деталь, как подшипник. Они есть в системах как бытовых приборов, так и промышленных. Корпус подшипника является частью узла детали. Он бывает разных форм, разновидностей и размеров. Чтобы лучше понимать его устройство, необходимо изучить подшипниковый корпус. Самостоятельный ремонт многих видов техники станет понятнее и эффективнее. При желании корпуса подшипников можно создавать своими руками.

Общая характеристика

Корпус подшипника представляет собой особую деталь. Она обычно изготавливается из чугуна или других сплавов. Применяется подшипниковый корпус для посадки основного вала на главную платформу. Он плотно фиксирует деталь.

Корпус и собственно подшипник - качения, скольжения и других разновидностей - вместе создают узел. Его легко отыскать в оборудовании и технике предприятий всех промышленных отраслей.

Так как видов представленной детали разработано довольно много, корпусов для них существует еще больше. Причем производители готовы выпускать как изделия стандартной конфигурации, так и корпуса под подшипники особой формы. В последнем случае создается индивидуальный чертеж, на основе которого мастер изготавливает требуемую деталь. Это позволяет обеспечить соответствие узла существующим условиям производства.

Современные корпуса подшипников

Сегодня процесс производства позволяет изготовить механизм с какой-нибудь дополнительной деталью или в виде отдельного изделия. Разнятся корпуса и системой крепления подшипника внутри корпуса, например, он может быть закреплен на лапках. Это зависит от типа детали.

Корпуса подшипников качения, скольжения и других видов производится из высококачественных материалов. Это может быть чугун, прессованная или штампованная сталь, синтетический каучук.

На современном рынке подшипниковых узлов преобладают элементы механизма импортного производства. Их популярность объясняется все большим количеством различного зарубежного оборудования. Оно требует в процессе эксплуатации подшипников узлов определенного типа, которые наше производство не выпускает.

Типы корпусов

Существует определенная классификация корпусов для подшипников. Каждый тип отличается своим предназначением, способом крепления, конфигурацией и размером. Стандартными сегодня выступают такие разновидности:

  • стационарные цельные;
  • стационарные разъемные;
  • фланцевые.

Цельный стационарный тип корпуса изготавливают из чистого никеля, что делает его более жестким и простым. Осевая посадка подшипников в корпус имеет сложный осевой тип монтажа. Поэтому такую разновидность используют в тихоходных механизмах, которые обладают небольшим диаметром вала.

Разъемный стационарный корпус делают из серого чугуна. Он состоит из крышки и основы. Эти элементы корпуса соединяются болтами. Такая конструкция позволяет легко поменять подшипник при его износе, сделать вторичную расточку вкладыша, а также отрегулировать зазор. Это частый тип корпуса в машиностроении.

Фланцевый корпус похож на предыдущий тип. Он состоит из основания и крышки, соединенных болтами. Его применяют для очень требовательных деталей. Он служит опорой как для концевого, так и для сквозного вала.

Особенности эксплуатации

Корпус под подшипник должен обеспечивать всему узлу требуемые параметры работы. Он функционирует при больших нагрузках и не должен при этом создавать повышенный уровень шума. Экстремальные условия эксплуатации узла не должны снижать долговечность корпуса и всего механизма.

В зависимости от назначения, различают большое количество типов конструкций. Каждый производитель маркирует их по-своему. Можно выделить самые популярные компании-производители.

Корпус имеет сферическую форму под установку самого подшипника. Это дает возможность элементам механизма устанавливаться самостоятельно. Между подшипником и корпусом устанавливаются маслоотталкивающие уплотнения из резины в форме колец.

Особенности крепления к корпусу

Существует несколько разновидностей посадки подшипника на вал в корпусе узла. Самыми распространенными сегодня из них выступают описанные ниже технологии.

Одним из самых распространенных является подшипник в корпусе на лапках. Он обладает возможностью смазывания и участвует в создании высокоскоростных механизмов. Это могут быть вентиляторы, системы аварийного энергосбережения, маховики. Отличительной их особенностью является способность работать при повышенных температурах.

Внутреннее кольцо также может закрепляться на валу при помощи стопорных винтов. Встречаются корпуса, внутреннее кольцо которых имеет коническое отверстие. Деталь крепится в нем при помощи закрепительной втулки.

Есть также корпуса, в которых установленное изделие закреплено особым эксцентриковым кольцом.

Преимущества не смазываемых и смазываемых корпусов

Сегодня производители выпускают как смазываемые, так и не смазываемые корпуса для подшипников. Корпус подшипника, чертеж которого разработан для стандартных смазываемых повторно узлов, имеет в себе масленку.

К преимуществам непополняемых дополнительной смазкой корпусов можно отнести экономию на техобслуживании, компактность конструкции. В таких деталях отсутствует вероятность утечки масла. Это приводит к повышенной чистоте детали.

Смазываемые повторно корпуса эксплуатируются при больших температурах и в большой запыленности окружающей среды. Если нет возможности использовать деталь с крышкой, такой узел применяется в условиях попадания на него брызг воды или других жидкостей.

При нерегулярности использования такого корпуса подшипник будет работать должным образом. Такие детали применяются при ускоренном ходе узла, при повышенных нагрузках и потребности снизить шум при работе.

Производители и маркировка

В зависимости от типа производителя, существует определенная маркировка деталей. Если это не корпус для подшипника, своими руками созданный, он обязательно будет иметь обозначение соответствующей компании, его создавшей.

Существует большое множество брендов, но популярными сегодня считаются следующие производители:

  • Китай и Сингапур выпускают детали с маркировкой FBJ.
  • Итальянские элементы механизма для подшипников могут быть промаркированы как KDF или TSC.
  • Япония маркирует свои корпуса как ASAHI или NSK.
  • Продукция SKF настолько дорогая, что ее практически не встретить в оборудовании нашей страны.

Цена на такие изделия зависит от производителя и, как правило, тем выше, чем качественнее сама деталь. Самыми дешевыми, но недолговечными считаются польские и российские корпуса, более высокого качества изготавливаются представленные детали японцами. Далее выше надежность и стоимость имеют узлы итальянского производства, а за ними следуют сербские механизмы. Самыми надежными, но очень дорогими считаются немецкие и шведские, а также некоторые японские (NTN, KOYO) корпуса для подшипников.

Маркировка корпуса в зависимости от конструкции

Корпус подшипника может быть обозначен различной маркировкой в зависимости от типа узла. Изготовленный для радиальных деталей, которые устанавливаются во фланцевые узлы, механизм крепится установочными винтами. Подшипник в них обозначается UC, а корпус для них бывает F, P, Т, FL, FC. Если этот узел соединен воедино, деталь будет иметь вид, например, UCP, UCT, UCFL.

Для опорных конструкций корпус обозначается как SD, а сам подшипник – SN.

Приобретать подобные изделия лучше у непосредственного представителя того или иного производителя. Это гарантирует качество приобретаемых деталей.

Самодельный корпус для подшипника

Сделать корпус для подшипника своими руками не так уж и сложно.

Единственное, он будет отличаться по понятным причинам от заводского образца. Поэтому, если большая прочность и точность детали не имеют значения, это вполне выполнимая задача.

Хорошим материалом для изготовления корпуса является графитированный капролон. Он отличается повышенной износостойкостью, прочностью и скольжением. Выпиливать отверстие нужно, зажав материал в тиски. Дрелью, ножом и напильником следует сделать в капролоне ровное отверстие.

Вовнутрь следует вставить скользящую прокладку. Корпус лучше сделать разрезным и зажать его при помощи винта на вале. Чем ровнее получится отверстие, тем лучше будет работать деталь.

Случается, корпус выполняется даже из дерева. Кольцо делается из секторов, которые потом стягиваются воедино. Это автоматически компенсирует люфт подшипника.

Рассмотрев разновидности и устройство такой детали, как корпус подшипника, можно понять принцип его работы и выполнить самостоятельный ремонт довольно большого количества техники в домашних условиях.

fb.ru

Volkswagen Tiguan APR st. 2 › Бортжурнал › Самостоятельная замена передних амортизаторов/пружин/опор/опорных подшипников

Для желающих могу помочь с проведением данной либо какой то другой процедуры на Вашем авто.

Сегодня мы поговорим о замене всего что было перечислено в заголовке. В общем как многие наверное знают или догадываются главным в этом деле является демонтаж стойки амортизатора всборе, а дальше уже приступаем к ее разборке и замене необходимых частей: либо самой стойки амортизатора, либо пружины, либо опорного подшипника, либо опоры либо пыльника амортизатора.
Сразу могу сказать что это жутко грязное дело в зиму заниматься подобным ремонтом, далее все фото сделаны на машине, которая перед заменой побывала на мойке) Да и подумайте несколько раз перед осуществлением данного ремонта самостоятельно — дело довольно трудозатратное.

Итак начнем.
Снимаем три скобы, крепящие жабо внизу ветрового стекла.

Полный размер


Далее для доступа к верхним болтам левой стойки нам необходимо приподнять жабо, но нам мешает это сделать левый поводок стеклоочистителя. Приступаем к его демонтажу. Подцепляем пластиковый колпачок и откручиваем гайку на 13. Демонтируем поводок съемником, сдернуть рукой думаю нереально т.к. посадочный вал конусный.

Полный размер


Снимаем колесо и откручиваем ступичный болт двенадцатигранной головкой на 24, чтобы ступица не вращалась можно нажать на тормоз, либо вставить отвертку в суппорт, тем самым зафиксировав его.

Полный размер


Откручиваем болтик на 10, крепящий кронштейн тормозного шланга, датчика АБС и датчика износа колодок.

Полный размер


Откручиваем стойку стабилизатора от стойки амортизатора, гайка на 18, придерживаем от проворачивания головкой spline M6. До замены я бы рекомендовал посмотреть на состояние стойки и при необходимости заодно заменить ее.

Полный размер


Откручиваем рулевой наконечник от кулака, гайка 18, придерживаем от проворачивания головкой torx 30.
После того как открутили гайку, съемником снимаем прикипевший наконечник.

Полный размер


Откручиваем три гайки на 16 крепления шаровой опоры к рычагу.

Полный размер


Далее выкручиваем болт, крепящий стойку к кулаку, гайка 18, spline M14.

Полный размер


Полный размер


Выдергиваем ШРУС из ступицы.
Вбиваем подходящий клин в ступицу чтобы высвободить стойку.
Можно конечно сначала открутить стойку от чашки, но по моему опыту так выходит попроще.

Полный размер


Зачищаем резьбу верхних болтов от грязи и проливаем WD-40.

Полный размер


Приподнимаем жабо и откручиваем три болта головкой на 13.

Полный размер


Все, стойка снята, приступаем к ее разбору: для этого сначала стягиваем пружину.

Полный размер


Головкой на 21 откручиваем гайку со штока, тем самым можно сказать заканчиваем разбор стойки.

Полный размер


Ради интереса разбираем старый подшипник.

Полный размер


В общем при любых манипуляциях со стойкой я бы менял сразу опору, подшипник и отбойник с пыльником, стоит все это вроде не дорого, а снимать стойку еще раз очень не хочется если вдруг в процессе демонтажа окажется что то из этого в плохом состоянии. Новый подшипник обязательно разбираем и добавляем смазки.

Полный размер


Заправляем пыльник в корпус подшипника, зайти должен плотно.

Полный размер


Ориентируем нижний виток пружины в паз на нижней чашке амортизатора.

Полный размер


При монтаже опоры обращаем внимание на стрелки сверху, они должны быть в положении, показанном на фото, а именно относительно кронштейна под стойку стабилизатора. Заворачиваем гайку штока.

Полный размер


Теперь со вставленным клином в ступицу запихиваем стойку на место, мне проще делать именно так как показано на фото, нежели прикрутить стойку, а потом мучиться насаживая снизу кулак.

Полный размер


Ну в общем далее все собираем в обратной последовательности.

Я предпочитаю закупить все болты и гайки новые, хотя бы потому что это подвеска и есть риск того что это закиснет или слижется и придется срезать болгаркой, вот примерный список (проверяйте сами, может отличаться в зависимости от года выпуска авто):
2 отбойника 1k0 412 303 m,
2 пыльника 6n0 413 175 a,
2 подшипника 1k0 412 249 b (6n0 412 249 e),
2 опоры 1 k0 412 331 c,
6 болтов крепящих стойку сверху n 101 277 07,
6 гаек крепления шаровой опоры n 103 320 02,
2 центральных болта стойки n 909 548 02 + 2 гайки для них же n 101 064 02.,
4 гайки стойки стабилизатора (можно и две штуки если не планируется откручивать стойку от стабилизатора, если стойка под замену то в комплекте с ней должны быть эти гайки) n 015 081 6,
2 болта ступицы приводного вала wht 005 437,
2 гайки рулевого наконечника n 909 429 02,
2 гайки на шток амортизатора n 910 216 01.

Ну вроде все, если хоть кому то было интересно значит не зря писал)

www.drive2.ru


Смотрите также



© 2009-: Каталог автоинструкторов России.
Карта сайта, XML. продвижение сайта